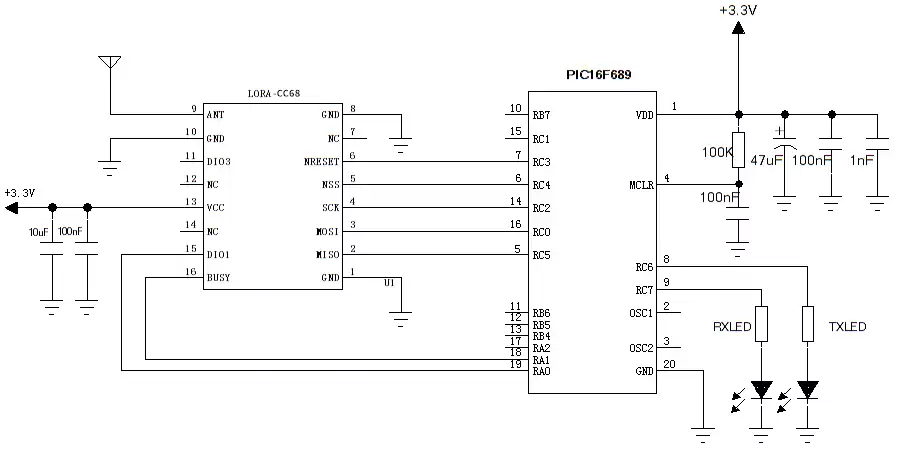
CC68-C1 : LLCC68 FCC ID & CE-RED Certified LoRa Module With SPI Interface
Type: LoRa Front-End Modules
Certification: FCC ID,CE-RED
Modulation: LoRa
Chip: LLCC68
Interface: SPI
Output Power: 160mW
Frequency: 433MHz,470MHz,868MHz,915MHz
Size (mm):16*16

English 


