Certification: Others
Modulation: LoRa
Chip: LR1120
Interface: SPI
Output Power: 160mW
Frequency: 433MHz,470MHz,868MHz,915MHz,1.9GHz,2.4GHz
Size (mm):19.72*15
LoRa1121F33-2G4 module is built on SEMTECH's LR1121 chip, an ultra-low power, long-range LoRa transceiver supporting Sub-GHz and 2.4G band. supports LoRa, (G)FSK modulation, Sigfox protocol, and LR-FHSS. It is compatible with the LoRaWAN communication protocol and can function as a LoRaWAN node. Additionally, it offers flexible configuration options to meet the requirements of various applications and proprietary protocols.
Parameters | Test condition | Min. | Typ. | Max | Unit |
Voltage range | 3.0 | 5 | 5.5 | V | |
Operating Temperature | -40 | 25 | 85 | ℃ | |
Maximum Input Signal | 10 | dBm | |||
Current Consumption | |||||
Transmit Current | 433MHz,5V,2W | < 900 | mA | ||
@2.4GHz,5v,1w,TxPower=5 | < 1200 | mA | |||
Receive Current | @Sub-G | < 8 | mA | ||
@2.4G | < 24 | 29 | mA | ||
Sleep Current | < 20 | uA | |||
RF Parameters | |||||
Frequency Range | @433MHz | 400 | 470 | MHz | |
@470MHz | 470 | 510 | MHz | ||
@868MHz | 850 | 890 | MHz | ||
@915MHz | 900 | 940 | MHz | ||
Transmit Power | @sub-GHz | 18 | 33 | dBm | |
@2.4G Bands | 22 | 30 | dBm | ||
Receive Sensitivity | BW=62.5KHz,SF=12 @Sub-GHz | -142 | dBm | ||
BW=406KHz,SF=7 @2.4G Bands | -129 | dBm | |||
Frequency Error | 0.5 | ppm | |||
Modulation Rate (@sub-GHz) | @LoRa | 0.091 | 62.5 | Kbps | |
@FSK | 0.6 | 300 | Kbps | ||
Modulation Rate (@2.4G bands) | @LoRa | 0.476 | 101.5 | Kbps | |
Sub-GHz Bands: 433/470/MHz 2W
Sub-GHz Bands: 868/915MHz 1W (Customizable : 150~960 MHz)
2.4 G Bands : 2400MHz~2500MHz 1W
2.4 GHz sensitivity : up to -129 dBm@ BW=406 KHz, SF=7
Sub-GHz sensitivity : up to -144dBm @BW=62.5KHz,SF=12
Electrostatic Protection (ESD)
Supports LR-FHSS
Supports LoRaWAN and Sigfox protocol
Supports AES-128 encryption and decryption
Sub-GHz transmission exceeds 10 km in open areas
Sleep current < 20µA
Small size, stamp hole design
Drones
Remote irrigation
Smart home/Smart agriculture
Industrial manufacturing


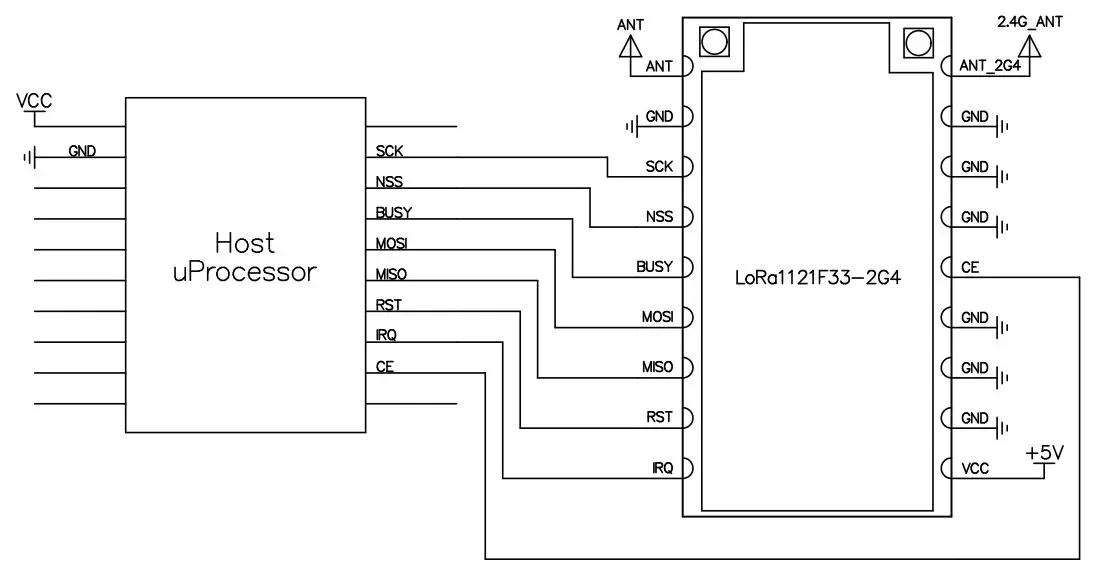
Pin NO. | Pin name | I/O | IO level | Description |
1 | VCC | Connect to the positive power supply | ||
2,3,4,6,7,8,11 | GND | Connect to the negative power supply | ||
5 | CE | I | 0-5.5V | Internal LDO enable control pin,pull high or leave floating to operate, connect to ground for sleep mode. Internally pulled up |
9 | ANT_2G4 | 2.4GHz antenna interface, external 50Ω antenna | ||
10 | ANT | Sub-G antenna interface, external 50Ω antenna | ||
12 | SCK | I | 0-3.3V | SPI clock input |
13 | NSS | I | 0-3.3V | SPI chip select input |
14 | BUSY | O | 0-3.3V | Used for status indication, refer to the chip datasheet for details |
15 | MOSI | I | 0-3.3V | SPI data input |
16 | MISO | O | 0-3.3V | SPI data output |
17 | RESET | I | 0-3.3V | Reset trigger input, refer to the chip datasheet for details |
18 | IRQ | O | 0-3.3V | Multipurpose digital interface, refer to the chip datasheet for details |

Privacy Policy
· Privacy Policy
There is currently no content available
Email:sales@nicerf.com
Tel:+86-755-23080616