Type: LoRa Front-End Modules
Certification: FCC ID
Modulation: LoRa
Chip: LLCC68
Interface: SPI
Output Power: 160mW
Frequency: 915MHz
Size (mm):16*16
LoRa-CC68-868-T wireless module adopts Semtech's LLCC68 device and Industrial high-precision crystal oscillator, which make the module having ultra-low receiving current, low sleep current and good sensitivity -129dBm. It can wake up the external micro-controller periodically under low power consumption with built-in 64KHz oscillator . Antenna switch of the module is integrated and controlled by the RF chip, which saves the resources of the external MCU. Moreover, Lora-CC68 has compact size and 22dBm (160mW) output power, which have great advantages in IoT and battery-powered applications.
LoRa-CC68 is produced and tested strictly using lead-free processes, and comply with RoHS and Reach standards. Also,LoRa-CC68 is CE certified @ 868MHz and FCC@915MHz.
P/N | Frequency Band | Crystal | Certification | Remark |
★CC68-C1-433 | Center 433MHz 410-810 MHz Customizable | 10ppm Industrial grade crystal oscillator | NO | Shield |
LoRa-CC68-433-TCXO | 0.5ppm TCXO crystal oscillator | NO | ||
★CC68-C1-490 | Center 490MHz 410-810 MHz Customizable | 10ppm Industrial grade crystal oscillator | NO | |
LoRa-CC68-490-TCXO | 0.5ppm TCXO crystal oscillator | NO | ||
★CC68-C1-868 | Center frequency 868 and 915 common | 10ppm Industrial grade crystal oscillator | CE & FCC | |
LoRa-CC68-868-TCXO | Center 868 MHz | 0.5ppm TCXO crystal oscillator | CE | |
LoRa-CC68-915-TCXO | Center 915 MHz | FCC | ||
LoRa-CC68-X1 | Center 433/490/868/915MHz 150-960MHz Customizable | 10ppm Industrial grade crystal oscillator | NO | No shield,small size |
Lora-CC68 | 868-CE, 915-FCC | Shield |
★Note: The default shipping module uses 10ppm Industrial crystal oscillator, the TCXO crystal oscillator is optional for special requirement:
Parameter | Min. | Typ. | Max. | Unit | Condition |
Operation Condition (Vcc=3.3V, ANT @ 50 ohm ) | |||||
Working voltage | 1.8 | 3.3 | 3.7 | V | |
Temperature range | -40 | 25 | 85 | ℃ | |
Current Consumption | |||||
RX current | < 5 | mA | @ 10ppm crystal oscillator | ||
< 6.5 | mA | @ TCXO crystal | |||
TX current | < 130 | mA | @868MHz @915MHz | ||
< 110 | mA | @433MHz @490MHz | |||
Sleep current | 1.9 | uA | OFF mode (SLEEP mode with cold start) All blocks off | ||
2.3 | uA | SLEEP mode (SLEEP mode with warm start) Configuration retained | |||
2.9 | uA | SLEEP mode (SLEEP mode with warm start) Configuration retained + RC64k | |||
0.56 | mA | STDBY_RC mode , RC13M, XOSC OFF | |||
2.35 | mA | STDBY_XOSC mode , XOSC ON | |||
RF Parameter | |||||
Frequency range | 400 | 433 | 450 | MHz | @433MHz |
470 | 489.92 | 510 | MHz | @470MHz | |
848 | 868 | 888 | MHz | @868MHz | |
900 | 915 | 940 | MHz | @915MHz | |
Output power | -15 | 22 | dBm | ||
Receiving sensitivity | -129 | dBm | @LoRa BW=250KHz_SF = 10_CR=4/5 | ||
| Interface | SPI |
| Chip | LLCC68 |
| Frequency | 868MHz |
| Modulation | LoRa |
| Output Power | 160mW |
| Certification | CE-RED |
Frequency Band:433/490/868/915 MHz (customizable150-960 MHz)
Sensitivity:-129dBm @LoRa
Maximum output power:22 dBm(160mW)
Industrial grade high precision crystal oscillator
LoRa,(G)FSK
255 bytes FiFo
Data rate:0.6-300 Kbps @FSK 1.76-62.5 Kbps @Lora
Industrial meter reading
Parking lot sensor management
Industrial automation
Agricultural sensor
Smart city
Remote control
Street lights
Logistics management
Environmental sensor
Health products
Security products
Warehouse management


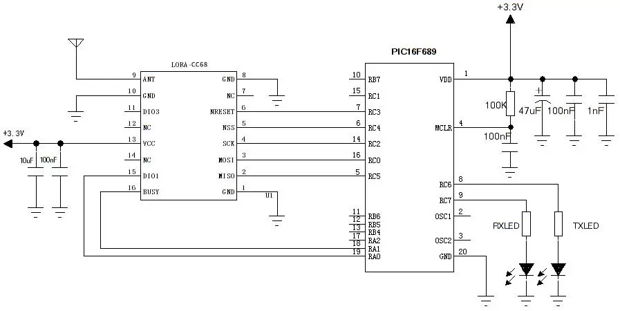
Pin NO. | Pin name | Description |
1 | GND | Power ground |
2 | MISO | SPI Output |
3 | MOSI | SPI Input |
4 | SCK | Serial clock |
5 | NSS | SPI enable |
6 | NRESET | Reset input |
7、12、14 | NC | Empty |
8 | GND | Power ground |
9 | ANT | Connect with 50 ohm antenna |
10 | GND | Power ground |
11 | DIO3 | Can be customized as interrupt signal indication, details in chip datasheet (Note: output to control TCXO when TCXO crystal is used ) |
13 | VCC | Power supply(default 3.3V) |
15 | DIO1 | Can be customized as interrupt signal indication, details in chip datasheet |
16 | BUSY | Busy status indication, details in chip datasheet. |

Privacy Policy
· Privacy Policy
There is currently no content available
Email:sales@nicerf.com
Tel:+86-755-23080616