Type: LoRa Front-End Modules
Certification: FCC ID
Modulation: LoRa
Chip: LLCC68
Interface: SPI
Output Power: 160mW
Frequency: 915MHz
Size (mm):16*16
★Note: The default shipping module uses 10ppm Industrial crystal oscillator, the TCXO crystal oscillator is optional for special requirement:
| Parameter | Min. | Typ. | Max. | Unit | Condition |
| Operation Condition | |||||
| Working voltage | 1.8 | 3.3 | 3.7 | V | |
| Temperature range | -40 | 25 | 85 | ℃ | |
| Current Consumption | |||||
| RX current | < 5 | mA | @10ppm crystal oscillator | ||
| < 6.5 | mA | @TCXO crystal | |||
| TX current | < 130 | mA | @868MHz @915MHz | ||
| < 110 | mA | @433MHz @490MHz | |||
| Sleep current | 1.9 | uA | OFF mode (SLEEP mode with cold start) All blocks off | ||
| 2.3 | uA | SLEEP mode (SLEEP mode with warm start) Configuration retained | |||
| 2.9 | uA | SLEEP mode (SLEEP mode with warm start) Configuration retained + RC64k | |||
| 0.56 | mA | STDBY_RC mode,RC13M, XOSC OFF | |||
| 2.35 | mA | STDBY_XOSC mode,XOSC ON | |||
| RF Parameter | |||||
| Frequency range | 400 | 433 | 450 | MHz | @433MHz |
| 470 | 489.92 | 510 | MHz | @470MHz | |
| 848 | 868 | 888 | MHz | @868MHz | |
| 900 | 915 | 940 | MHz | @915MHz | |
| Output power | -15 | 22 | dBm | ||
| Receiving sensitivity | -129 | dBm | @LoRa BW=250KHz_SF = 10_CR=4/5 | ||
| Interface | SPI |
| Chip | LLCC68 |
| Frequency | 433MHz,470MHz,868MHz,915MHz |
| Modulation | LoRa |
| Output Power | 160mW |
| Certification | FCC ID, CE-RED |


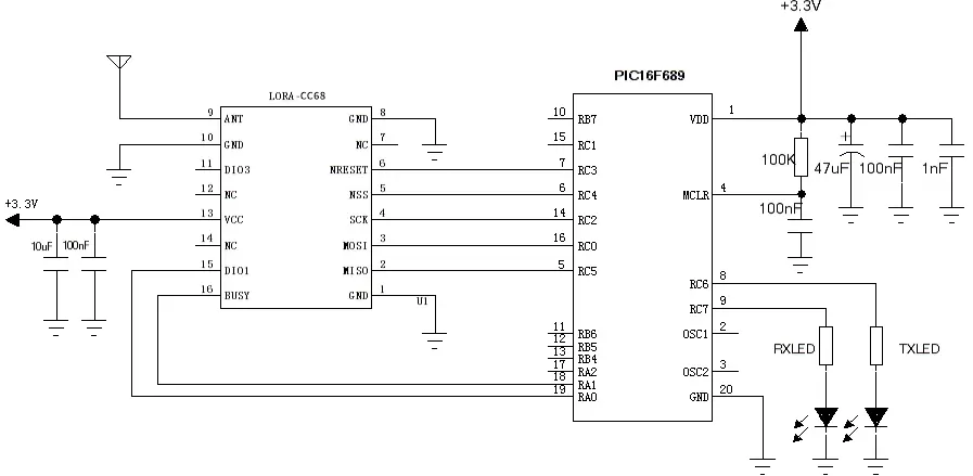
| Pin NO. | Pin name | Description |
| 1 | GND | power ground |
| 2 | MISO | SPI Output |
| 3 | MOSI | SPI Input |
| 4 | SCK | Serial clock |
| 5 | NSS | SPI enable |
| 6 | NRESET | Reset input |
| 7、12、14 | NC | Empty |
| 8 | GND | Power ground |
| 9 | ANT | Connect with 50 ohm antenna |
| 10 | GND | Power ground |
| 11 | DIO3 | Can be customized as interrupt signal indication, details in chip datasheet (Note: output to control TCXO when TCXO crystal is used ) |
| 13 | VCC | Power supply(default 3.3V) |
| 15 | DIO1 | Can be customized as interrupt signal indication, details in chip datasheet |
| 16 | BUSY | Used for status indication, see datasheet for details |

Privacy Policy
· Privacy Policy
There is currently no content available
Email:sales@nicerf.com
Tel:+86-755-23080616