Type: LoRa Front-End Modules
Certification: FCC ID
Modulation: LoRa
Chip: LLCC68
Interface: SPI
Output Power: 160mW
Frequency: 915MHz
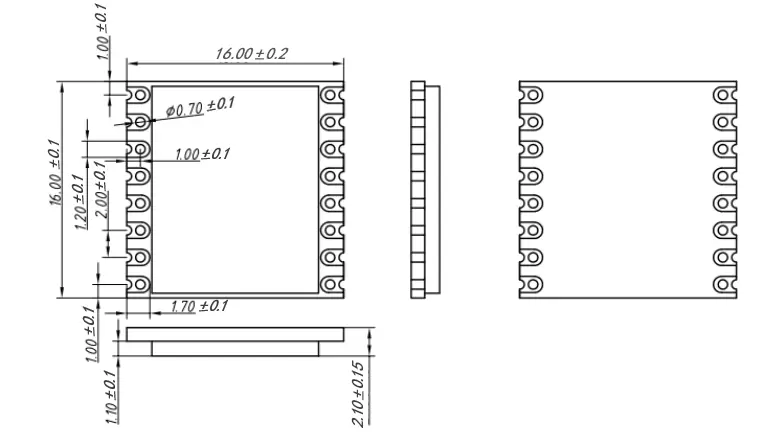
Size (mm):16*16
LoRa-CC68-915-T wireless module adopts Semtech's LLCC68 device and Industrial high-precision crystal oscillator, which make the module having ultra-low receiving current, low sleep current and good sensitivity -129dBm. It can wake up the external micro-controller periodically under low power consumption with built-in 64KHz oscillator . Antenna switch of the module is integrated and controlled by the RF chip, which saves the resources of the external MCU. Moreover, Lora-CC68 has compact size and 22dBm (160mW) output power, which have great advantages in IoT and battery-powered applications.
LoRa-CC68 is produced and tested strictly using lead-free processes, and comply with RoHS and Reach standards. Also,LoRa-CC68 is CE certified @ 868MHz and FCC@915MHz.
P/N | Frequency Band | Crystal | Certification | Remark |
★CC68-C1-433 | Center 433MHz 410-810 MHz Customizable | 10ppm Industrial grade crystal oscillator | NO | Shield |
LoRa-CC68-433-TCXO | 0.5ppm TCXO crystal oscillator | NO | ||
★CC68-C1-490 | Center 490MHz 410-810 MHz Customizable | 10ppm Industrial grade crystal oscillator | NO | |
LoRa-CC68-490-TCXO | 0.5ppm TCXO crystal oscillator | NO | ||
★CC68-C1-868 | Center frequency 868 and 915 common | 10ppm Industrial grade crystal oscillator | CE & FCC | |
LoRa-CC68-868-TCXO | Center 868 MHz | 0.5ppm TCXO crystal oscillator | CE | |
LoRa-CC68-915-TCXO | Center 915 MHz | FCC | ||
LoRa-CC68-X1 | Center 433/490/868/915MHz 150-960MHz Customizable | 10ppm Industrial grade crystal oscillator | NO | No shield,small size |
Lora-CC68 | 868-CE, 915-FCC | Shield |
★Note: The default shipping module uses 10ppm Industrial crystal oscillator, the TCXO crystal oscillator is optional for special requirement:
Parameter | Min. | Typ. | Max. | Unit | Condition |
Operation Condition (Vcc=3.3V, ANT @ 50 ohm ) | |||||
Working voltage | 1.8 | 3.3 | 3.7 | V | |
Temperature range | -40 | 25 | 85 | ℃ | |
Current Consumption | |||||
RX current | < 5 | mA | @ 10ppm crystal oscillator | ||
< 6.5 | mA | @ TCXO crystal | |||
TX current | < 130 | mA | @868MHz @915MHz | ||
< 110 | mA | @433MHz @490MHz | |||
Sleep current | 1.9 | uA | OFF mode (SLEEP mode with cold start) All blocks off | ||
2.3 | uA | SLEEP mode (SLEEP mode with warm start) Configuration retained | |||
2.9 | uA | SLEEP mode (SLEEP mode with warm start) Configuration retained + RC64k | |||
0.56 | mA | STDBY_RC mode , RC13M, XOSC OFF | |||
2.35 | mA | STDBY_XOSC mode , XOSC ON | |||
RF Parameter | |||||
Frequency range | 400 | 433 | 450 | MHz | @433MHz |
470 | 489.92 | 510 | MHz | @470MHz | |
848 | 868 | 888 | MHz | @868MHz | |
900 | 915 | 940 | MHz | @915MHz | |
Output power | -15 | 22 | dBm | ||
Receiving sensitivity | -129 | dBm | @LoRa BW=250KHz_SF = 10_CR=4/5 | ||
| Interface | SPI |
| Chip | LLCC68 |
| Frequency | 915MHz |
| Modulation | LoRa |
| Output Power | 160mW |
| Certification | FCC ID |
Frequency Band:433/490/868/915 MHz (customizable150-960 MHz)
Sensitivity:-129dBm @LoRa
Maximum output power:22 dBm(160mW)
Industrial grade high precision crystal oscillator
LoRa,(G)FSK
255 bytes FiFo
Data rate:0.6-300 Kbps @FSK
1.76-62.5 Kbps @Lora
Applications
Industrial meter reading
Parking lot sensor management
Industrial automation
Agricultural sensor
Smart city
Remote control
Street lights
Logistics management
Environmental sensor
Health products
Security products
Warehouse management


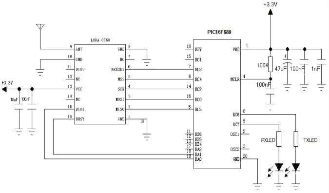
Pin NO. | Pin name | Description |
1 | GND | Power ground |
2 | MISO | SPI Output |
3 | MOSI | SPI Input |
4 | SCK | Serial clock |
5 | NSS | SPI enable |
6 | NRESET | Reset input |
7、12、14 | NC | Empty |
8 | GND | Power ground |
9 | ANT | Connect with 50 ohm antenna |
10 | GND | Power ground |
11 | DIO3 | Can be customized as interrupt signal indication, details in chip datasheet (Note: output to control TCXO when TCXO crystal is used ) |
13 | VCC | Power supply(default 3.3V) |
15 | DIO1 | Can be customized as interrupt signal indication, details in chip datasheet |
16 | BUSY | Busy status indication, details in chip datasheet. |

Privacy Policy
· Privacy Policy
There is currently no content available
Email:sales@nicerf.com
Tel:+86-755-23080616